Контакты
Новости
Каталоги
Наличие по Excel
 Войти
Сортировать:
Сначала новые
Сначала старые
Цена ↑
Цена ↓
Кол-во ↑
Кол-во ↓
Имя A→Я
Имя Я→A
Серийник ↑
Серийник ↓
84284907 - Масляный фильтр двигателя
1 816 ₽
90413092 - Ремень прив. ген., насоса вод., компр. конд. ДВС T8./Mg. с 14г.в., Axion9
4 817 ₽
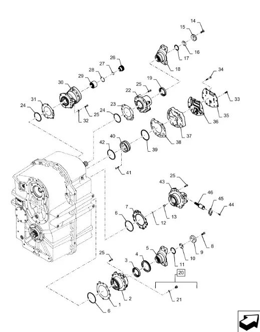
86500890 - Подшипник конич. в сб. вала КПП TJ T9./St.
28 534 ₽
178553A1 - Кольцо толщ. 0,076мм муфты торм. редуктора моста 450сер. TJT9./St.
5 181 ₽
87315721 - Подшипник тяги прив. стана реш. CX8./CR9., 8010, 8230/40/50
17 612 ₽
504070037 - Прокладка крышки клап. ДВС NEF4,5 экс.погр. CNH
2 299 ₽
504315786 - Натяжитель ремня ген. и насоса вод. ДВС Cursor9T T8./Mg., T6/Maxx.
27 188 ₽
87554854 - Задний брызговик
42 001 ₽
87347945 - Набор втулок и роликов подв. сид. опер. TGT8./Mg., TJT9./St.
10 098 ₽
47533795 - Ремень привода вала соломотряса 3140мм CX6
14 492 ₽
86566566 - Штуцер 3/8"24 муфты гидравл. включения TC5, CS, CSX, CX6, CR9080"
29 792 ₽
370568A1 - Держатель вала 5го КПП TJT9./St.
38 204 ₽
47783488 - Ремень привода вала колпака противопыльного вент. охл. CX6
3 955 ₽
191709A1 - Кольцо толщ. 0,076мм. подш. хвостовика моста TJT9./St.
427 ₽
421866 - Штифт
543 ₽
238-5327 - 5327 Кольцо упл. TJT9./St., 2366/88, 6130/40
194 ₽
84058255 - Ремень прив. МКШ жатки H Cap, 720, 2030
7 284 ₽
86623593 - Подшипник кон. в сб. вала КПП / редукт. ДВС TJ T9./St. CX8, CR
23 471 ₽
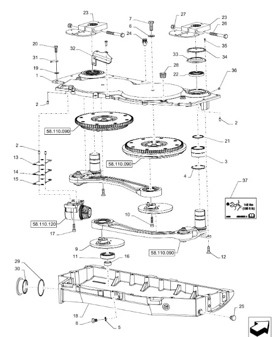
47582431 - Вал 3й в сборе КПП T9T9./St.
775 026 ₽
84214564 - Фильтр топл. тонк. оч. ДВС TD5.110/JX110, H8040/WD1203
760 ₽
84315338 - Фланец вала 2го КПП TJT9./St.
81 148 ₽
84286727 - Патрубок возд. впускной ДВС T8./Mg. 1114г.в.
94 852 ₽
47677096 - сальник
4 602 ₽
427562A1 - Шайба толщинная 0,7 мм фланца крестовины КПП TJT9./St.
3 521 ₽
«
<
1
...
5
6
7
8
9
...
34117
>
»
Страница:
Перейти